ST9000er | Verdrahtungsplan
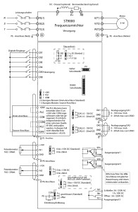
Um den Frequenzumrichter immer richtig zu verdrahten, finden Sie hier die Anschlusspläne von Umrichtern aller Leistungsklassen. Auf den Schaubildern ist zu erkennen, welcher Jumper welche Aufgabe übernimmt und wie er gesetzt werden muss, um für Ihre Schaltung den Zweck zu erfüllen. Genauere Erklärungen finden Sie in unserer Anleitung.
Zum vergrößern bitte direkt auf die Bilder klicken!
Verdrahtungsplan für ST9000er kleiner als 11KW:

Verdrahtungsplan für ST9000er 11KW bis 15KW:

Verdrahtungsplan für ST9000er 18KW bis 355KW:

Zurück: FAQ Frequenzumrichter
Zurück: FAQ ST9000-Frequenzumrichter